Javascript Menu by Deluxe-Menu.com

Joey Mounts

Last Changed 12/17//2016

The evolution of our GPS navigation system.

Laptop Mounts

Initially 9/23/2016

We are using a laptop we had as a basis for our navigation computer.  To simplify cabling everything was moved to a powered USB Hub mounted under the dash in front of the passenger.

Underdash power strip An extension cord was mounted under the dash to feed the laptop power brick and the power brick for the USB Hub.
DC Fuse Block USB Power HubDC power feeds were also added to handle the other accessories for the laptop.

We also added a USB power source that feeds 6 USB power cables that plugs into the powerstrip..
Nav Computer This is a schematic of the Navigation Computer connections.
click on images to enlarge
CoPilot's Laptop The laptop with a single USB cable to the USB Hub.
7 inch Pilot's Monitor The 7" USB cabled monitor connected to the laptop. 

The image on the 7" monitor will be  mirror of the laptop.
click on images to enlarge
USB Powered Speakers These are the USB powered speakers attached to the USB sound adapter in the USB hub.

They are Velcroed to the doghouse for the time being.
GPS Puck To mount the GPS Puck for the Nav Computer, we used a piece of PVC sheet formed as a wedge to fit the front of the dash.  The wedge was covered in Velcro which attaches the wedge to the dash.  The GPS Puck it also attached to the wedge with Velcro.

The SiriusXM antenna is also attached to the wedge.
click on images to enlarge

We found that the SiriusXM antenna did not work well with the fairly vertical Bounder windshield.  We relocated to under the top cap over the windshield.

USB Powered Hub
We added a USB Power Module to power the cellphones and Kindles.  The USB Hub had enough power but also connected the cellphones to the PC.  The PC would then get into loops of notifying that a deice had been connected.

We also had to replace the 7" Monitor that only connected with a USB cable.  The problem was the only resolution for the USB Monitor was 640x480 pixels.  That compressed the CoPilot screen too much as data was overlaid. We replace the monitor with one that connects with a VGA cable,  That added one cable more to the laptop but now we can run the laptop screen at a better resolution for CoPilot.

Change to Android Devices

Initially 9/23/2016

The laptop we were using for CoPilot lost its video.  The decision not to replace the laptop was made based upon information that the PC versions of the CoPilot software was going end-of-life.  We decided we would spend the money on Android equipment instead.

One of the issues we had preferred using a laptop was that a second monitor for the driver was possible.  We could not find a suitable way to have a second monitor with a mirror display of the Android tablet.  We decided to use a second Android device and hope that the two Android devices will have the exact same routing.

10 inch Android Tablet For the primary Android unit, we chose a 10.1" Samsung Galaxy Tab A tablet.  We added a blue tooth keyboard in a case with a stand.

The size of the tablet is small enough to be placed on the pullout drawer without blocking the right side mirror.  The laptop did block the right mirror and we had to keep it on dash.
click on images to enlarge

We are using an On-The-Go (OTG) cable with the tablet.  The OTG plugged into the same USB-micro port that the power charge cable goes. The OTG allows USB devices to be peripherals to the tablet.  In this case, we plugged the power USB hub we were using with the Laptop.  This hub has an USB Audio adapter and the power for the speakers we were using with the laptop. 

The GPS puck we used with the laptop was also attached to the USB hub and the tablet can use the GPS puck.  The tablet has a built-in GPS but it is not of the strength and range of the GPS puck.

We also pugged the USB adapter for the mouse we were using with the laptop into the USB hub and the tablet now has a keyboard and a mouse, just like the laptop.

The one disadvantage of the OTG cable is that is does not supply power to the tablet.  We have to charge the tablet when we are not moving with a power cable

Using Samsunf Note II For the driver, for the time being we are using a Samsung Note II which was just retired from smartphone use.   Eventually we will replace the Note II with another tablet, probably an 8" unit.

When we removed the VGA cable for the 7" monitor we used with the laptop, we ran a USB power cable to keep the Note II powered.

We used the same mount for the Note II that we used with the 7" monitor.
click on images to enlarge
Nav Computer This is a schematic of the Android Navigation Computer connections.
click on images to enlarge

One of the advantages of Android software is that you buy one copy and you can use it in multiple units. We are using the same copy of Android CoPilot RV software in the Tablet, the Note II, and in Mark's smartphone.  Mark can create the routes in his smartphone and then copy the routes to the Tablet and the Note II.

The Android  version of CoPilot is very similar to the Laptop version.  There is a little less information displayed on the screen with the Android  version because the typical device is a smartphone with smaller screen than 10" tablets.


Change to Android  Phase 2

Initially 11/20/2016

We did not like using the OTG cable (above) because the tablet was not being charged.  To be able to have a charge cable plugged into the tablet, we switched to using Blue Tooth devices.  A Bluetooth mouse was easy. There are many options for that.


Bluetooth Receiver for speakers We are using a IBT-08 Bluetooth receiver.  The receiver pairs with the tablet and the existing speakers plug into the receiver..

We did find that the 3.5mm phone plug on the speakers did not put out enough volume.  But when used an adapter cable and connected the speakers to the RCA jacks on the receiver, the volume was fine.

Change to Android  Phase 3

Initially 4/14/2017

We found that the Bluetooth adapter did not provide the same volume as when the speakers were on the OTG adapter cable.  We replaced the speakers with a Bluetooth speaker as described in Joey Speakers.

We decided that the times when the built-in GPS radio in the tablet doesn't receive adequate signals, we will use the OTG cable and the existing USB GPS radio.  If it happens enough, we will get a Bluetooth GPS radio.  We need to use a powered USB hub to power the GPS radio as the OTG cable provides no power.

Pilot's Tablet While the Note II smartphone did run CoPilot, the size was too small. 

We replaced the Note II with another Galaxy Tab A 10.1" tablet.
Pilot's Tablet The tablet does not block the driver's view.
Pilot's Tablet The mount we are using for the 10" tablet allows the tablet drop over the edge of the dash.

This makes the tablet less obtrusive in the driver's view out the windshield.
Nav Computer This is a schematic of the Android Navigation Computer connections using Bluetooth.
click on images to enlarge

12/17/2016
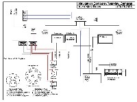
With the changes to Android equipment, we had to restructure under the dash components. We removed the USB hub and replaced it with a USB Power hub.  To power the GPS USB Mouse, we wired a small powered USB hub in line.  We changed out the DC fuse block with one that is easier to add circuits to.
Underdash wiring for Navigation computing Underdash wiring for Navigation computing Underdash wiring for Navigation computing
click on images to enlarge

Disclaimer: The information in this site is a collection of data we derived from the vendors and from our personal experiences.  This information is meant as a learning guide for you to  make your own decisions  Best practices and code should always be followed.  The recommendations we make are from our personal experiences and we do not receive any compensation for those recommendations.
//hide content //hide loading message